電動三通球閥
- 閥門型號:Q944F,Q945F,Q914F,Q915F
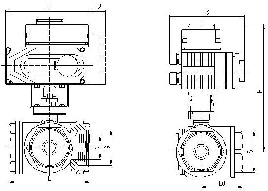
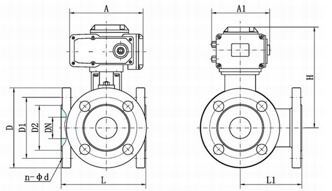
- 通徑規格:法蘭DN15~DN200,螺紋DN15-DN50
- 結構形式:三通L型、T型
- 閥體材質:碳鋼WCB、不銹鋼304、316、316L等
- 公稱壓力:PN16、PN25、PN40、PN64
- 適用溫度:-40℃~450℃
- 應用范圍:水,氣體,蒸汽,燃氣,油品、腐蝕性介質等
- 產品特點:一閥多用,既能換向也能分配、合流、分流,可用范圍廣
電動三通球閥概述:
電動三通球閥是一種可對三條管路介質進行換向、分流或合流的三通切換型調節球閥,一般有法蘭或內螺紋連接方式,根據不同流向切換要求球芯可設計為L型和T型結構,從而實現對管道中流體各種不同組合的控制形式。電動三通球閥不僅能對兩條相互垂直的通道進行切換或截斷,也能關閉任一通道,使另外兩個通道連通,靈活控制管路中介質的合流或分流。選用不同功能的執行裝置,可滿足不同工況的使用要求,廣泛用于電力、環保、供水、蒸汽、機械設備等工業系統中作兩位切斷或比例式調節使用。

電動內螺紋三通球閥 電動法蘭三通球閥
電動三通球閥優點:
1,電動三通球閥兼備開關切斷和智能比例式調節功能,不僅可截斷流體,也可以對壓力,流量及溫度等參數進行調整。
2,可用功能多,既能分配也能換向,適用于液休、氣體、蒸汽等介質的配比調節與控制。
3,可用范圍廣,一閥多用,任一通口可用作入口而無泄漏,三通既可制成L型通口,也可制成T型通口。
4,可分為電動法蘭三通球閥和電動內螺紋三通球閥,滿足不同工況里管道的連接。
電動三通球閥技術參數:
|
公稱通徑
|
DN15~DN200(mm)
|
|
公稱壓力
|
PN1.6、2.5、4.0、6.4MPa
|
|
連接形式
|
法蘭式、螺紋
|
|
閥芯形式
|
O型球芯
|
|
驅動方式
|
電源驅動
|
|
結構形式
|
三通L型、T型
|
|
電源電壓
|
AC220V、AC380V、DC24V(其他定制)
|
|
閥體材質
|
碳鋼WCB、不銹鋼304、316、316L等
|
|
球芯材質
|
不銹鋼304、316、316L
|
|
開關時間
|
15-60秒(可定制快開)
|
|
適用溫度
|
-40℃~450℃
|
|
執行機構
|
開關型、調節型(4~20mA等)、整體型-可選防爆
|
T型三通球閥可以使三個通道互相連通或使其中兩個通道連通,起分流或合流作用,電動三通球閥一般采用兩個閥座結構,亦可根據用戶要求采用四閥座結構。